English
Español
Português
русский
Français
日本語
Deutsch
tiếng Việt
Italiano
Nederlands
ภาษาไทย
Polski
한국어
Svenska
magyar
Malay
বাংলা ভাষার
Dansk
Suomi
हिन्दी
Pilipino
Türkçe
Gaeilge
العربية
Indonesia
Norsk
تمل
český
ελληνικά
український
Javanese
فارسی
தமிழ்
తెలుగు
नेपाली
Burmese
български
ລາວ
Latine
Қазақша
Euskal
Azərbaycan
Slovenský jazyk
Македонски
Lietuvos
Eesti Keel
Română
Slovenski
मराठी
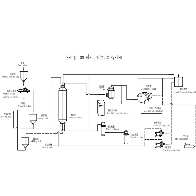
Srpski језик Desorpcijski elektrolitski sistem je ključna tehnologija pri sodobnem pridobivanju zlata, zlasti pri postopkih ogljik v celulozi (CIP) in ogljik v izpiranju (CIL). Ta blog raziskuje, kako sistem deluje, njegove komponente, prednosti in zakaj je postal standard pri učinkovitem pridobivanju zlata. Pou......
Preberi večPotopljeni spiralni klasifikator je bistvena komponenta pri predelavi mineralov, ki izboljša ločevanje in razvrščanje delcev v različnih industrijah. V tem članku bomo raziskali funkcijo, prednosti in uporabo potopljenih spiralnih klasifikatorjev ter kako rešitve EPIC prispevajo k rudarski industrij......
Preberi večMešalni rezervoarji za izpiranje so bistvena oprema v rudarski industriji, zlasti za pridobivanje dragocenih kovin iz rud s postopki luženja. V tem blogu bomo raziskali pomen, princip delovanja in različne vrste mešalnih rezervoarjev za izpiranje, ki se uporabljajo v rudarski industriji.
Preberi večPotopljeni spiralni klasifikator je kritičen del opreme pri predelavi mineralov, zasnovan za ločevanje delcev na podlagi velikosti in gostote z gravitacijsko sedimentacijo in mehanskim gibanjem. Ta stroj, ki se široko uporablja v rudarstvu, pranju peska in sistemih industrijskega razvrščanja, zagota......
Preberi večCircular High Rate Inclined Plate Thickener (CHRIPT) je pomemben del opreme, ki se uporablja v rudarski in predelovalni industriji. Ta zgoščevalec, znan po svoji sposobnosti učinkovitega ločevanja trdnih delcev od tekočin, je ključnega pomena v panogah, kot so čiščenje odpadne vode, predelava minera......
Preberi večCilindrična penasta flotacijska celica revolucionira predelavo mineralov s svojo optimizirano zasnovo, izboljšanimi stopnjami predelave in energetsko učinkovitim delovanjem. Ta obsežen vodnik raziskuje, kako se valjaste flotacijske celice razlikujejo od tradicionalnih modelov, njihova delovna načela......
Preberi več