Kaj je desorpcijski elektrolitski sistem in zakaj je bistvenega pomena za sodobno pridobivanje zlata

2026-04-21 - Pusti mi sporočilo

TheDesorpcijski elektrolitski sistemje ključna tehnologija pri sodobnem pridobivanju zlata, zlasti pri postopkih ogljik v celulozi (CIP) in ogljik v izpiranju (CIL). Ta blog raziskuje, kako sistem deluje, njegove komponente, prednosti in zakaj je postal standard pri učinkovitem pridobivanju zlata. Izpostavljamo tudi, kako je podjetjem všečEPICspodbujajo inovacije na tem področju. Na koncu boste celovito razumeli, kako ta sistem povečuje produktivnost, zmanjšuje stroške in izboljšuje stopnje okrevanja.

Desorption Electrolytic System

Kazalo


Kaj je desorpcijski elektrolitski sistem

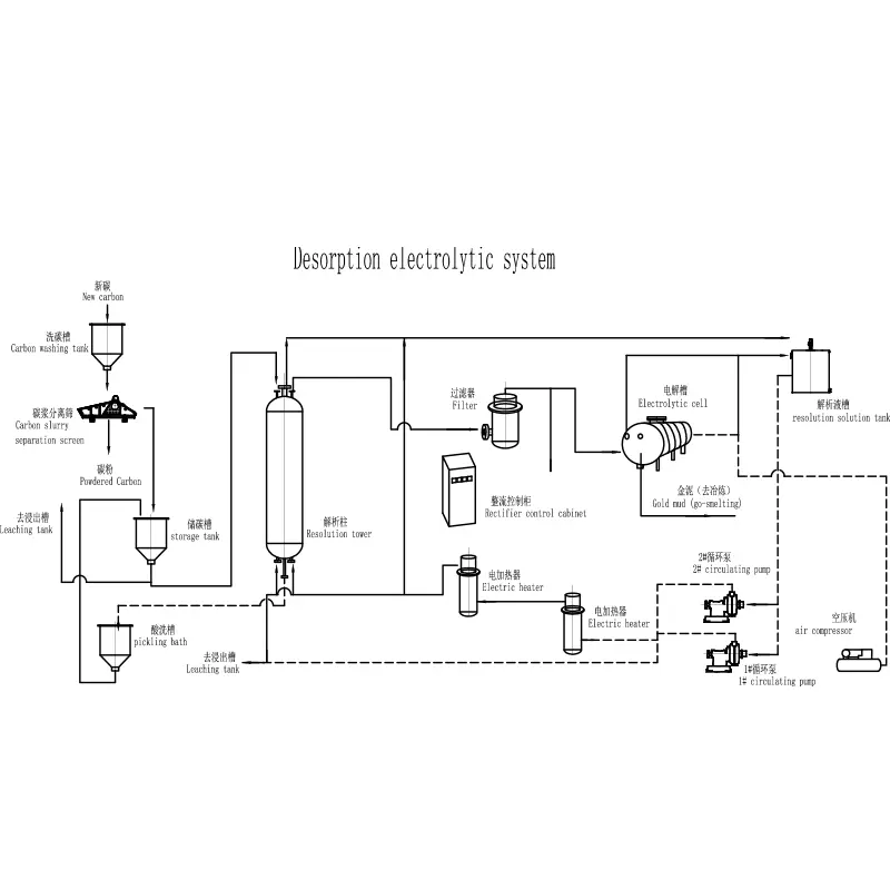
A Desorpcijski elektrolitski sistemje napreden sistem za pridobivanje zlata, ki se uporablja za pridobivanje zlata iz aktivnega oglja. Široko se uporablja v rudarskih operacijah, kjer se zlato med postopkom luženja absorbira na delce ogljika.

  • Desorpcija: Odstrani zlato iz ogljika z uporabo visokotemperaturnih in visokotlačnih raztopin
  • Elektroliza: pridobi zlato iz raztopine na katodah
  • Sistem z zaprto zanko: Zagotavlja učinkovitost in minimalne izgube

Ta sistem je bistvenega pomena za izboljšanje učinkovitosti predelave in zmanjšanje operativnih stroškov, zaradi česar je osrednja komponenta v sodobnih obratih za predelavo zlata.


Kako deluje desorpcijski elektrolitski sistem

Načelo delovanja aDesorpcijski elektrolitski sistemvključuje dve glavni fazi:

  1. Faza desorpcije:Z zlatom napolnjen ogljik obdelamo z vročo raztopino alkalnega cianida, pri čemer se sprostijo zlati ioni.
  2. Stopnja elektrolize:Z zlatom bogata raztopina gre skozi elektrolitsko celico, kjer se zlato nalaga na katode iz jeklene volne.

Proces zagotavlja visoko učinkovitost in omogoča neprekinjeno delovanje, zato so sistemi podjetij všečEPICse široko uporabljajo v industrijskih aplikacijah.


Glavne komponente sistema

Komponenta funkcija
Desorpcijska kolona Zadrži aktivno oglje in olajša odstranjevanje zlata
Elektrolitska celica Pridobiva zlato z elektrolizo
Izmenjevalec toplote Ohranja zahtevano temperaturo
Filtrirni sistem Odstranjuje nečistoče iz raztopine
Nadzorni sistem Avtomatizira delovanje in spremlja parametre

Vsaka komponenta ima ključno vlogo pri zagotavljanju učinkovitega in doslednega delovanja sistema.


Tehnične prednosti in lastnosti

  • Visoka stopnja izkoristka zlata (do 98 %)
  • Nizka poraba energije
  • Avtomatsko delovanje za nižje stroške dela
  • Kompaktna zasnova za prostorsko učinkovitost
  • Okolju prijazen z minimalnimi emisijami

Proizvajalci kotEPICnenehno optimizirati te sisteme za izpolnjevanje razvijajočih se industrijskih zahtev, kar zagotavlja boljšo zmogljivost in zanesljivost.


Aplikacije v predelavi zlata

TheDesorpcijski elektrolitski sistemse pogosto uporablja v:

  • Obrati za pridobivanje zlata
  • CIP (Carbon-in-Pulp) postopki
  • CIL (Carbon-in-Leach) procesi
  • Pridobivanje zlate jalovine

Zaradi vsestranskosti je primeren tako za obsežno industrijsko rudarjenje kot za manjše operacije, ki iščejo izboljšave učinkovitosti.


Primerjava s tradicionalnimi metodami

Funkcija Desorpcijski elektrolitski sistem Tradicionalne metode
Učinkovitost visoko Zmerno
Avtomatizacija Popolnoma avtomatiziran Ročno ali polavtomatsko
Stroški Nižji dolgoročni stroški Višji operativni stroški
Vpliv na okolje Nizka višje

Jasno je, da sodoben sistem zagotavlja pomembne prednosti pred tradicionalnimi tehnikami pridobivanja zlata.


Izbirni vodnik za kupce

Pri izbiri aDesorpcijski elektrolitski sistem, upoštevajte naslednje dejavnike:

  • Zmogljivost predelave
  • Stopnja avtomatizacije
  • Energijska učinkovitost
  • Ugled proizvajalca (npr. EPIC)
  • Poprodajna podpora

Izbira pravega sistema zagotavlja dolgoročno operativno uspešnost in maksimalen donos naložbe.


Nasveti za vzdrževanje in delovanje

  • Redno pregledujte cevovode in ventile
  • Spremljajte nivoje temperature in tlaka
  • Občasno očistite elektrolitske celice
  • Obrabljene komponente takoj zamenjajte
  • Strogo upoštevajte smernice proizvajalca

Ustrezno vzdrževanje bistveno podaljša življenjsko dobo sistema in zagotavlja dosledno delovanje.


pogosta vprašanja

1. Kaj je glavni namen desorpcijskega elektrolitskega sistema?

Njegov glavni namen je učinkovito pridobivanje in pridobivanje zlata iz aktivnega oglja.

2. Kako učinkovit je sistem?

Večina sistemov doseže več kot 95-odstotno stopnjo izkoristka zlata, odvisno od pogojev delovanja.

3. Ali je sistem okolju prijazen?

Da, sodobni sistemi so zasnovani za zmanjšanje emisij in zmanjšanje kemičnih odpadkov.

4. Ali ga je mogoče prilagoditi?

Da, podjetja, kot je EPIC, ponujajo prilagodljive rešitve glede na zahteve obdelave.

5. Katere industrije uporabljajo ta sistem?

Predvsem v rudarski industriji zlata, pa tudi pri pridobivanju plemenitih kovin.


Zaključek

TheDesorpcijski elektrolitski sistempredstavlja preboj v tehnologiji pridobivanja zlata, ki ponuja neprekosljivo učinkovitost, zanesljivost in okoljsko učinkovitost. Z nenehnim napredkom vodilnih v industriji, kot jeEPIC, postaja ta sistem vse bolj bistvenega pomena za sodobno rudarjenje. Če želite optimizirati svoj postopek pridobivanja zlata in izboljšati donosnost, je naložba v visokokakovosten sistem pametna izbira.Kontaktirajte nasdanes, če želite izvedeti več o tem, kako lahko zagotovimo prilagojene rešitve za vaše potrebe.

Pošlji povpraševanje

X
Piškotke uporabljamo, da vam ponudimo boljšo izkušnjo brskanja, analiziramo promet na spletnem mestu in prilagodimo vsebino. Z uporabo te strani se strinjate z našo uporabo piškotkov. Politika zasebnosti